全自动三辊闸如何安装,控制板怎么接线
全自动三辊闸我司经过多年精心研制、生产的高端智能化通道设备,不仅造型美观、大方、高端,同时能方便集成IC卡、 ID卡、二维码、指纹、人脸识别等识别设备,能实现通道的智能化、高效率的管理。
操作方法
- 01
准备好安装的设备工具(锤钻、膨胀螺丝、活动板手、内六角板手一套、螺丝刀、电工胶、剪线嵌)并根椐装箱清单清点配件并管理好;
- 02
通道数量组成、通道宽度、工作方式,然后在确定的安装位置进行整体规划,准备开始安装;
- 03
整好安装设备的地基基面后,把设备按顺序排列
- 04
打开门盖在闸机底部标记好膨胀螺栓安装孔,锤钻钻好孔,并预埋M12的膨胀螺
- 05
确定通道走线,挖开线管槽,放入管径大小合适的PVC的线管,每一个通道将AC200V电源线RVV3*1.5mm和门禁网线一根,分别用PVC线管穿好,可参考提供的图纸进行布线
- 06
将各机箱分别搬到相应的安装位,先逐个对准地脚膨胀地栓位置,再次检查无误后,再进行下步工作
- 07
选其中一台设备作为参考基准(最好选中间一台作为参考基准),将机座螺栓孔对准相应的地脚螺栓,并先预紧螺母
- 08
栓查每个通道闸杆对齐,预紧螺母,待全部通道均完成调试和功能测试后再拧紧螺母。
闸机调试
- 01
检查接线:电源线是否连接正确,确认无误后方可上电;
- 02
功能调试:上电后闸机自检闸杆转动,此过程为闸机自检,勿站在通道中,未刷卡推杆会自动复位;
- 03
门禁继电器开锁时间需设置为0秒或1秒,当刷有效卡时指示灯变成绿色箭头,如果指示灯指示方向不正确或者进入通道闸杆立即关闭并报警,SW1 Gnd,SW2 Gnd接线对调即可。
- 04
仔细检查测试确保开关门无异常,指示灯指示正确,能正常后再投入使用
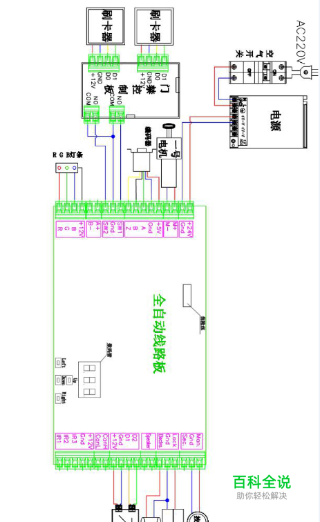
控制板接线
- 01
控制板各接线端子说明
- 02
接线图
闸机维护
- 01
闸机需要有专人定期维护,并有日常清洁保养,以确保设备长期稳定工作,延长设备使用寿命。 维护保养方法: 清洁卫生:检查闸机外壳和读卡面板是否干净,将灰尘和其它脏物清除 除锈润滑:检查闸杆活动情况,如有锈蚀部分,用沙纸除锈并上防锈油
- 02
定期检查设备各个运动部位的连接情况,如发现有松动的螺母、螺钉等紧固件应及时拧紧,以免长时间运行造成闸机故障。 电路板清洁:切断电源,将电路板上的灰尘扫除干净
- 03
线路检查:查看各连接路线,如有松动脱落,请加固 机芯运行是否顺畅
