详解 什么叫做耳机线控
解释什么叫线控耳机
操作方法
- 01
机电行业特定短语。指机电控制里边的一种物理控制方式,主要是指信号发生器与信号接收器之间的连接方式是通过线缆或其他动作传到物体进行连接的。如用线拉动铃使其发声,部分汽车油路通断及流量的控制等。
- 02
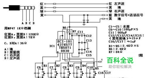
线控耳机由于受到耳机发出信息指令和接收信息指令的设备对信息识别语言版本不同,有些线控所发出的指令信息不能被远端接收设备所识别,而导致线控耳机对这些远端接收设备不起作用。下面我们一起来了解下线控耳机的原理。 更多线控耳机原理介绍 线控耳机不管接口类型如何,无论是音频接口还是USB接口,基本上都是采用四线连接,其中“共用回线GND”是耳机左右声道、话筒、输出控制的共用回线,这个原理是一定的,有些厂商为了垄断利益,在线极功用上做些手脚。 比如插头由上到下有四个电极,如果把第一和第三电极接线对调,其现象是一个耳机无声且线控失效、话筒失效;如果把第三和第四电极接线对调,其现象是两个耳机都无声。改动时,只需在微动开关处,按照原理图捋顺接线即可。
- 03
线控耳机原理图分析 根据原理图不难得出判断线控耳机插头各电极功用的方法:用欧姆表测量,其中一个电极分别与另外三个电极间不导通,则该电极是控制极;剩下的三个电极中,若两个电极间呈现了最大阻值,那么这两个电极分别是耳机的左右声道线,剩下的电极就是共用回线。 线控耳机好的产品推荐 罗技的线控耳机很不错,可以考虑一下,像罗技的UE90vm,隔音耳机 + 麦克风也不例外。此款耳机结合了麦克风和线控设计,是在智能手机,平板电脑或笔记本电脑上的首选。入耳式设计,明快清晰的音频,同时降低静态噪音。
赞 (0)
