特瑞仕700mA高速LDO调整器XC6210B282MR
XC6210B282MR是采用CMOS生产工艺的高精度,低噪声,大电流,低输入输出电压差的正电压调整器。此系列芯片内置有参考电压源,误差放大器,电流限制器,相位补偿器和一个驱动晶体管。
操作方法
- 01
XC6210B282MR高速LDO调整器内置了一个低导通电阻的驱动晶体管,即使在输入输出电压差很小时也可保证电池的正常使用,从而延长了电池的使用寿命。 此系列调整器可使用低ESR的陶瓷电容便可使输出稳定。输出电压是从0.8V到5.0V,间隔为0.05V。 XC6210B282MR高速LDO调整器的电流限制器反馈回路可作为输出电流限制器并保护输出引脚。XC6210B282MR高速LDO调整器可通过CE功能使调整器处于待机状态,此时功耗被极大地降低。
- 02
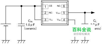
典型电路框图
- 03
特点 输出电流:700mA(TYP800mA限流) 输入输出电压差:50mV@IOUT=100mA,100mV@IOUT=200mA 工作电压:1.50V~6.00V 输出电压:2.8V 高精度:±2%(1.55V≦VOUT≦5.00V),±30mV 低消耗电流:35μA(TYP.) 工作温度:-40℃~+85℃
赞 (0)
