发射机:调幅(AM)、调频(FM)电波
首先要了解什么叫调制,为什么要调制。声音的频率是20HZ-20KHZ,转变成电磁波后也是这个频率,属于低频,电磁波的频率越高越容易传送得更远。所以音频需搭载在高频信号上才能传输得更远,音频搭载上高频信号的过程就叫调制。调制的目的是为了把音频传送到更远的地方。目前常用的方法有调幅和调频两种方法。
看下图最直接, “调幅”就是调制幅度,高频信号的幅度随着音频信号幅度的改变而改变,当音频信号的幅度高时高频信号的幅度也跟着高,反之跟着变低,形成音频信号的幅度包络,但高频信号的频率没有变;“调频”就是调制频率,高频信号的频率随着音频信号幅度的改变而改变,当音频信号的幅度高时高频信号的频率也跟着高,反之跟着变低,但高频信号的幅度没有变。
目前中波AM(频率范围300KHZ-3MHZ,我国规定为535KHZ-1605KHZ),短波SW(频率范围通常是指3-30MHZ,我国规定为:2-24MHZ)。
操作方法
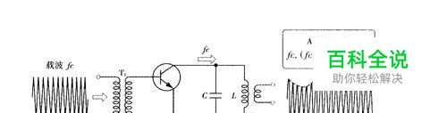
- 01
参考调幅电路图如下
- 02
参考调频电路图如下
- 03
调幅与调频的电路有无数种,但万变不离其中,以后我们将再举例说明。
赞 (0)
