开关电源设计的几个技巧
过载和短路保护,一般是通过在开关管的源极串一个电阻(R4),把电流信号送到3842 的第3 脚来实现保护。当电源过载时,3842 保护动作,使占空比减小,输出电压降低,3842 的供电电压Vaux 也跟着降低,当低到3842 不能工作时,整个电路关闭,然后靠R1、R2 开始下一次启动过程。这被称为“打嗝”式(hiccup)保护。
步骤/方法
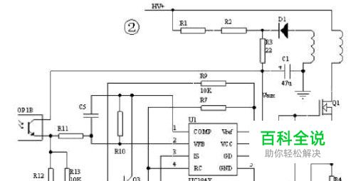
- 01
用UC3842 做的开关电源的典型电路:一般在辅助电源的整流二极管上串一个电阻(R3),它和C1 形成RC 滤波,滤掉开通瞬间的尖峰。仔细调整这个电阻的数值,一般都可以达到满意的保护。使用这个电路,必须注意选取比较低的辅助电压Vaux,对3842 一般为13~15V,使电路容易保护。
- 02
采取拉低第1 脚的方法关闭电源。R3 电阻即使不要,仍能很好保护。
- 03
采用断开振荡回路的方法。电路中C4 的作用:电源正常启动,光耦是不通的,因此靠C4 来使保护电路延迟一段时间动作。
- 04
采取抬高第2 脚,进而使第1 脚降低的方法。在过载或短路保护时,它也起延时保护的左右。在灯泡、马达等启动电流大的场合,C4的取值也要大一点。
赞 (0)
