SolidWorks如何绘制车轮?
该给大家分享一篇SolidWorks绘制车轮的教程。
操作方法
- 01
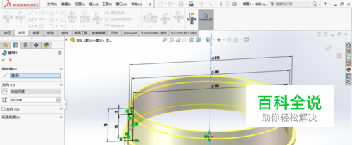
打开SolidWorks,新建一个零件文件。在前视基准面绘制草图如图所示,创建旋转特征。
- 02
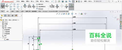
创建圆角,如图所示。
- 03
创建基准面1,如图所示。在基准面1上绘制草图,转换实体引用,如图所示。
- 04
在右视基准面上绘制草图,退出草图。在前视基准面上绘制一样的草图。如图所示。
- 05
创建曲面填充,选择修补边界和约束曲线,如图所示。
- 06
加厚曲面。加厚两侧,厚度“6 mm”。
- 07
在右视基准面上绘制草图,创建切除拉伸特征,如图所示。
- 08
创建圆角。 在图示端面上绘制草图,创建切除拉伸特征。
- 09
在上视基准面上绘制草图,并创建切除拉伸特征,如图所示。
- 10
在上视基准面上绘制草图,创建切除拉伸特征,选择从等距“60 mm”,给定切除深度“37 mm”,如图所示。
- 11
至此,完成车轮的创建,保存零件模型。
赞 (0)
