SolidWorks如何绘制齿轮轴?
该给大家分享一篇SolidWorks绘制齿轮轴的教程。该齿轮轴配合的是孔直径为“Φ20 mm”,齿宽为“20 mm”的齿轮。相应的齿轮创建方法可参考这篇
方法/步骤 创建齿轮轴
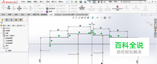
- 01打开SolidWorks,新建一个零件模型。在前视基准面绘制草图,如图所示。 
- 02创建旋转特征,如图所示。 
- 03创建倒角特征,如图所示。 
- 04创建参考基准面,如图所示。 
- 05在参考基准面上绘制直槽口如图所示。 
- 06创建切除特征,如图所示。 
- 07至此,完成齿轮轴的创建,保存模型。 
方法/步骤2 创建装配体
- 01新建一个装配体模型,插入齿轮轴和小直齿轮。完成装配,如图所示,齿轮左侧通过轴环定位,右侧将通过套筒定位。 
 赞 (0)
                        