用proteus画电路图

学习单片机的时候可以基于proteus和keilc,那么在proteus中画电路图便是一项必不可少的技能。

操作方法

  • 01

    首先是安装proteus,安装比较简单,可以在网上找教程,在此不多说。不过需要注意的是安装目录中不要有中文出现,否则会造成安装完成,但打不开的现象。

  • 02

    打开proteus,新建文件。

  • 03

    查找元器件

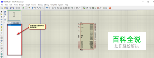
  • 04

    将元器件放到工作区内

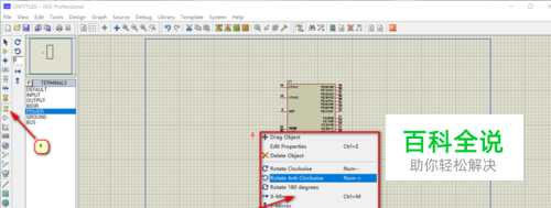
  • 05

    电源与接地符号

(0)

相关推荐

  • 新手自学MATLAB 2014画电路图,仿真

    第一次使用MATLAB 2014画电路图或者仿真摸不着头绪,而且还只有英文,很苦恼,在这里写一下,帮助提示. 操作方法 01 打开MATLAB 2014在"新建"里新建一个Simu ...

  • 如何在cad里面画电路图

    在适应CAD的过程中,想要在CAD中画电路图,如何画呢?下面就给大家讲解适应CAD画电路图的具体的方法 操作方法 01 首先,需要打开CAD,然后进入CAD的主界面,如图所示. 02 接着设置右下角为 ...

  • 怎么用电脑画电路图

    很多刚接触电子制作的朋友一直不知道怎么使用电脑来画一张电路图,这里分享一篇自己在使用电脑绘制电路图时的心得分享给大家 方法示例 01 要学会使用电脑绘制一张电路图最好的方式就是通过观察示例,这样可以让 ...

  • WPS怎么画电路图

    介绍一下这款WPS版电路图绘制器的制作及使用方法: 一.绘制各种常用电路元件符号. 运行WPS演示,系统会自动建立一个演示文稿.利用WPS演示2007的基本绘图功能,可以轻松绘制出常用电路元件的符号. ...

  • 史上最简单 画电路图方法

    这里给大家介绍本人御用的画电路软件,叫做"绘图助手",绘图不用学CAD,简单软件一看就会.无论是做作业还是出题都用得上! 操作方法 01 首先下载软件,这里不墨迹,给大家的地址(本 ...

  • 如何用CAD画电路图啊?

    操作方法 01 AutoCAD2004将惯用的AutoCAD命令和熟悉的用户界面与更新的设计环境结合起来,使您能够以前所未有的方式实现并探索构想.21互联远程教育网推出的AutoCAD视频教程,不仅介 ...

  • 电脑cad软件中电路图怎么画出

    有的小伙伴喜欢在CAD软件上画图,其实我们还可以在该软件中画电路图,但是操作比较麻烦,那么小编就来为大家介绍一下吧.具体如下:1. 第一步,双击或者右击打开CAD软件,接着我们就来到了下图所示的模型模 ...

  • 用proteus和keilc做一个计数显示器

    在日常生活中,我们经常会见到由数码管和特定的组成电路构成的计数器,现在就来看看用proteus和keilc如何实现计数器. 操作方法 01 首先,在proteus中画电路图.不知道用proteus怎么 ...

  • 用proteus和keilc实现LED闪烁

    在生活中我们经常会看到一些一闪一闪的灯,那么现在就来用proteus和keilc实现比较简单的LED灯闪烁. 操作方法 01 首先用proteus画LED闪烁实现电路图,具体画电路图的步骤可以参照上篇 ...